DS-2TD6267T-25H4L/W(O-STD) — Bi-spektrale PTZ-Thermalkamera mit Brandfrüherkennung
Downloads
Bi-spektrale Überwachung mit Brandfrüherkennung
Das DS-2TD6267T-25H4L/W kombiniert thermische Brandfrüherkennung mit optischer Identifikation in einem robusten PTZ-System. Ideal für kritische Infrastrukturen, Industrieanlagen und große Perimeter, wo frühzeitige Branderkennung und präzise Detektion lebenswichtig sind.
Highlights
- Brandfrüherkennung: Thermalsensor 640×512 mit präziser Temperaturmessung — erkennt Hitzeentwicklung lange vor sichtbaren Flammen
- 40x-Zoom-Optik: 6-240 mm Brennweite für detailreiche Identifikation auch auf große Distanz
- KI-Perimeterschutz: Intelligente Algorithmen für Linienüberquerung, Eindringen und Bereichsüberwachung
- Raucherkennung: Erkennt Rauchentwicklung auch bei schlechten Sichtverhältnissen
- PTZ-Positionierung: Überwacht große Bereiche durch programmierbare Fahrten und Positionen
Technische Details
- Thermalsensor: 640×512 Auflösung mit hoher Empfindlichkeit
- Optisches Objektiv: 6-240 mm, 40x-Zoom
- Nachtsicht: bis 200 m Reichweite
- Bildverarbeitung: DDE, 3D-Rauschunterdrückung, adaptives AGC
- Gehäuse: Robustes Außendesign, ca. 20 kg
- Netzwerkanbindung: IP-basiert für zentrale Überwachung
Einsatzbereiche
- Industrieanlagen und Produktionsstätten
- Lager und Logistikzentren
- Kritische Infrastrukturen (Kraftwerke, Umspannwerke)
- Große Perimeter und Außenbereiche
- Chemie- und Petrochemie-Anlagen
Downloads
Eigenschaften von "DS-2TD6267T-25H4L/W(O-STD) — Bi-spektrale PTZ-Thermalkamera mit Brandfrüherkennung"
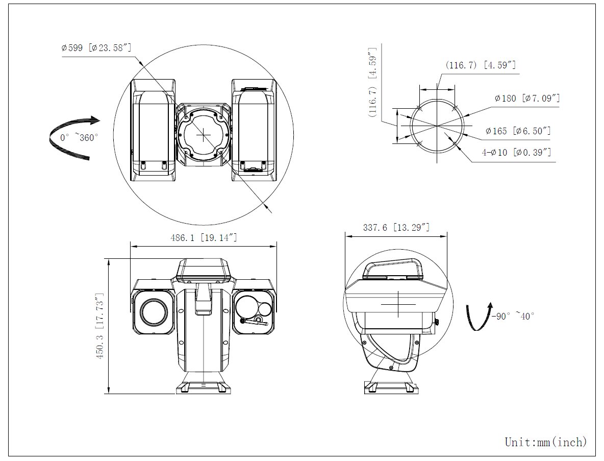
| Abmessungen: | 486,1 mm × 337,6 mm × 450,3 mm (19.14 ‘’ × 13.29‘’ × 17.73 ‘’) |
|---|---|
| Bauform: | PTZ |
| Beleuchtungsart: | IR |
| Brennweite: | 240 mm |
| Farbe: | Weiß / White |
| Gewicht: | Ca. 20 kg |
| Gleichzeitige Livestreams: | Bis zu 20 Kanäle |
| IP-Schutzklasse: | IP66 |
| Max. Auflösung: | 4 MP |
| NDAA Konform: | Nein |
| Perimeterschutz: | Ja |
| PoE: | Ja |
| Reichweite Beleuchtung: | 200 |
| Stromversorgung: | 36VDC ± 20%, 48VDC ± 20%, two-core terminal block |
| Thermale Auflösung: | 640 × 512 |
| Thermale Brennweite: | 25 mm |
| WDR: | 120 dB |