Hikvision DS-2TD6267-75C4L/WY(O-STD) — Bi-spektrale PTZ-Thermalkamera mit Korrosionsschutz
Downloads
Professionelle Bi-spektrale PTZ-Kamera für Thermografie und Perimeterschutz
Das Hikvision DS-2TD6267-75C4L/WY kombiniert hochauflösende Thermografie (640×512) mit 56x optischem Zoom für maximale Überwachungsreichweite. Intelligente Analytik erkennt Eindringlinge und kritische Temperaturen — ideal für Industrieanlagen, Kraftwerke und kritische Infrastruktur.
Thermale Exzellenz
- 640×512 VOx UFPA Thermalsensor mit 17 μm Pixelabstand
- 75 mm thermale Brennweite für präzise Fernüberwachung
- NETD ≤35 mK Empfindlichkeit — erkennt kleinste Temperaturdifferenzen
- Temperaturausnahmealarm zur Feuererkennung
- Bildoptimierung: 3D-Rauschunterdrückung, adaptiver AGC-Modus
Optische Leistung
- 1/1.8" Progressive Scan CMOS mit 56x optischem Zoom
- 6-336 mm Brennweite für Details aus großer Entfernung
- Nachtsicht bis 800 m Reichweite
- PTZ-Funktionalität für vollständige Geländeabdeckung
Intelligente Sicherheit
- KI-gestützte Perimeterfunktionen: Linienüberquerung, Eindringen
- Ein-/Ausfahrterkennung für Zufahrtskontrolle
- Thermalkanal mit EIS-Bildstabilisierung
- IP66 + NEMA-4X Korrosionsschutz für Industrieumgebungen
Einsatzbereiche
- Kraftwerke und Energieanlagen
- Häfen und Flughäfen
- Chemie- und Petroindustrie
- Kritische Infrastruktur und Grenzsicherung
Downloads
Eigenschaften von "Hikvision DS-2TD6267-75C4L/WY(O-STD) — Bi-spektrale PTZ-Thermalkamera mit Korrosionsschutz"
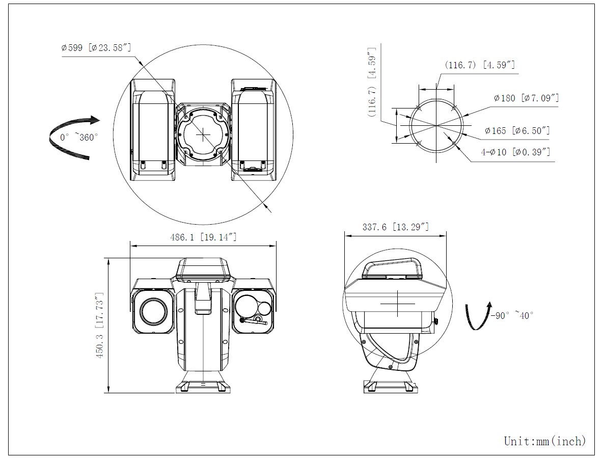
| Abmessungen: | 486,1 mm × 337,6 mm × 450,3 mm (19.14 ‘’ × 13.29‘’ × 17.73 ‘’) |
|---|---|
| Bauform: | PTZ |
| Beleuchtungsart: | IR |
| Brennweite: | 336 mm |
| Farbe: | Weiß / White |
| Gewicht: | Ca. 20 kg |
| Gleichzeitige Livestreams: | Bis zu 20 Kanäle |
| IP-Schutzklasse: | IP66 |
| Max. Auflösung: | 4 MP |
| NDAA Konform: | Nein |
| Perimeterschutz: | Ja |
| PoE: | Ja |
| Stromversorgung: | 36VDC ± 20%, 48VDC ± 20%, two-core terminal block |
| Thermale Auflösung: | 640 × 512 |
| Thermale Brennweite: | 75 mm |
| WDR: | 120 dB |